
| File Information | |
| File ID: | 27728 |
| Type: | |
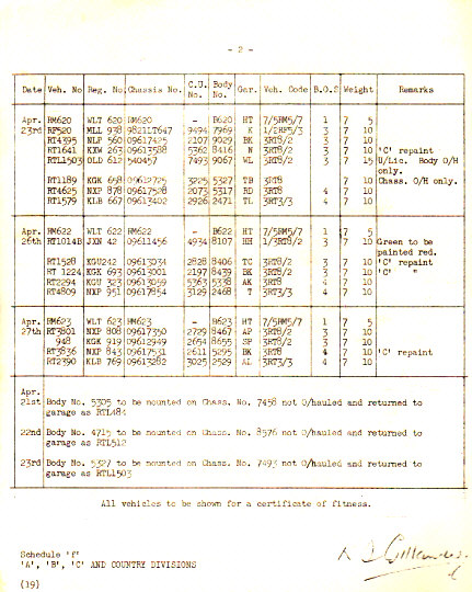
| Title: | Buses Overhauled and Delivered on 8th and 9th April 1965 |
| Year: | |
| Month: | |
| Quality: | Low (341x640px) |
| Added: | 29/04/2020 |
| Notes: | |
Downloads Single download: To download this file, right-click on the image and select 'Save Image As...' Bulk download: To download a ZIP file containing this and other related documents, use the link below (where available). Buses Overhauled and Delivered 1965 (127 files, 4.5Mb) |
|